网站首页    实践创新    毕业设计展示    正文

2022届毕业设计展示(李康——基于增量式PID算法设计的小范围水温差恒定智能控制及监测装置)
发布时间: 2022-09-20   浏览次数:

一、学生及指导老师简介

1、学生-李康


 



物联网技术学院软件技术专业2019级高职专科学生,在校期间,一直担任软件31931班级班长一职。在校期间,严格要求自己,努力学习专业知识,增加专业技能训练。利用寒暑假时间,有在其他企业(无锡日洪仪器有限公司、上海矽图智能技术有限公司)实际实习的工作经验,并参与企业研发部门代码编写工作。在工作、学习及科研方面取得多项成果。具体如下:

序号

成果名称

(获奖名称及等级)

作者

(获奖者)

出版社、发表刊物或颁奖单位

时间

(刊期)

1

军训先进个人

李康

无锡职业技术学院

2019.09

2

校优秀学生干部

李康

无锡职业技术学院

2019-2020-1

3

校三好学生

李康

无锡职业技术学院

2019-2020-2

4

校奖学金二等奖

李康

无锡职业技术学院

2019-2020-2

5

校优秀学生干部

李康

无锡职业技术学院

2020-2021-2

6

国家励志奖学金

李康

江苏省教育厅

2020-2021学年

7

2020第二期入党培训优秀学员

李康

无锡职业技术学院

2020年

8

2021第一期入党培训优秀学员

李康

无锡职业技术学院

2021年

9

横向课题(70291620034基于机器视觉的智能线序识别系统)

周薇、李康等

青岛奥勒视觉视学科技有限公司

2020年

10

省刊论文(基于PID算法的小范围水温差恒定控制研究)

李康等

物联网技术

2022.2.26

11

省刊论文(基于单片机的语音播报器的研究)

朱乐乐、李康等

电脑知识技术

2021.6

12

实用新型专利(2020223912332一种基于STC89C51芯片设计的最小工作电路模块)

李康等

国家知识产权局

2021.05.25

13

实用新型专利(2020224070308一种基于STM32芯片的LED条屏控制卡)

谢含洁、李康等

国家知识产权局

2021.05.25

14

横向课题(基于增量式PID算法的水恒温智控监测程序)

李康

无锡日洪仪器有限公司

2022.4.18


 

2、指导教师—周薇

 

物联网技术学院专业骨干教师,讲师,硕士。

取得的个人代表性成果如下:

1、第一作者发表论文7篇,其中中文核心2篇(《基于大数据分析的船舶交通特征统计分析》、《无线传感器网络的航行环境信息采集系统》),SCI论文1篇(《Research On data transmission of wireless sensor networks based on symmetric key algorithm》)。

2、2019年主编并出版教材Android嵌入式开发及实训》(电子工业出版社)1本。

3、2020年获得校级微课教学比赛二等奖,江苏省高校微课教学比赛二等奖。

4、主持《基于BP神经网络及 RSSI无线节点定位算法改进后在寻物探测应用中的研究》等校级理工类面上课题2项。

5、主持《基于机器视觉的智能线序识别系统》等企业横向课题6项。

6、2016年主持校级导师制项目课程《移动互联应用软件开发》1项。

6、2018年主持校级实验实训室建设(JAVA应用开发实训室改建等)1项,2019年主持(Web前端开发1+X职业技能等级证书鉴定)1项

7、获得国家发明专利1项(201710366761.2一种Wi-Fi语音寻物探测装置及其探测方法)。

8、获得实用新型专利6项(2016202666505蓝牙手持设备防盗器等)。

9、获得软件著作权19项(2021SR0804251无线语音播报程序等)。

10、获得2020年度校级优秀女教工,2021科技工作先进个人。

指导学生取得成果如下:

1、201620172018年,指导学生获得江苏省普通高等学校本专科优秀毕业设计(论文)一等奖3项。

2、2018年指导学生获得职业院校技能大赛(移动互联应用软件开发)江苏省一等奖、国赛二等奖。

3、2017、2019年,指导学生完成江苏省高等学校大学生创新创业训练计划项目2项。

序号

名称

1

Wi-Fi语音寻物传感探测器

2

一种基于云服务器可时控计费的共享充电装置

4、2016、2017、2020年,指导学生发表省级期刊论文3篇。

序号

名称

期刊及年份

1

基于物联网技术的远程智能灌溉系统的设计与实现

电脑知识与技术2016

2

基于WiFi三角定位原理的语音寻物探测方法研究

物联网技术2017

3

基于云服务器实现共享设备精准计费方式的研究

电脑知识与技术2020

4

基于PID算法的小范围水温差恒定控制研究

物联网技术2022

52017、2020、2021指导学生申获实用新型专利8项。

序号

名称

1

201720883583.6一种低功耗的WIFI透传模块

2

202020986183X一种充电时长可控板模块

3

2020223912332一种基于STC89C51芯片设计的最小工作电路模块

4

2020224070308一种基于STM32芯片的LED条屏控制卡

5

202122160620X一种温度语音双识别检测报警装置

6

2021213216300一种智能触发调节用水恒温装置

7

2021213341194一种具有无线功能充电的驱蚊器

8

2021213661794一种基于物联网的多功能数据采集报警装置

 

3、指导教师—周薇

 

物联网技术学院专业骨干教师,副教授,硕士。

取得的个人代表性成果如下:

1、第一作者发表中文核心期刊论文《基于DSP焊接机器人控制系统上位机控制器设计》等3篇。

2、获得国家发明专利2项(一种非触控式快速开合的垃圾回收装置、节能型保暖鼠标垫)。

3、专利转让2项(智能语音分离器、一种基于伺服驱动的焊接机器人控制系统)。

4、获得实用新型专利9项(一种非触控式快速开合的垃圾回收装置等)。

5、申报软件著作权3项(车牌自动识别系统等)。

6、主持校级课题《基于决策树挖掘技术在仓储配送企业应用研究》1项。

7、主持校级招标课题《机器视觉在LED晶粒检测和SMT设备上的应用研究》1项。

8、主持企业横向课题《机器视觉在LED晶粒检测和SMT设备上的应用研究》等共6项。

9、2019年获得江苏省高校微课教学比赛高职组二等奖。

10、2018年指导学生获江苏省大学生创新创业教育项目《基于图像识别的智能LED晶圆数量统计系统1项。

 

二、主要成果

取得与本次毕业设计相关的研究成果如下:

序号

成果名称

(获奖名称及等级)

成果形式

作者

(获奖者)

出版社、发表刊物或颁奖单位

时间

(刊期)

1

水恒温智能监测控制装置的主控板图

实物图片PDF文件

李康

2022.4.20

2

装置总设计电路原理图

实物图片PDF文件

李康

2022.4.20

3

硬件实验环境搭建图

实物图片PDF文件

李康

2022.4.20

4

一种基于STC89C51芯片设计的最小工作电路模块

实用新型专利证书

李康等

国家知识产权局

2021.5.25

5

基于PID算法的小范围水温差恒定控制研究

省刊论文

李康等

物联网技术

2022.2.26

6

基于单片机的恒温监测智能控制开发程序

软件著作权

李康等

国家版权局

2022.6.2

7

基于增量式PID算法的水恒温智控监测程序

技术服务合同+到账发票

李康等

无锡日洪仪器有限公司

2022.4.18

8

程序

zip文件

李康

2022.4.20

9

实物演示视频

视频

李康

2022.4.20

上述7项研究成果对应的图片如下:

1-水恒温智能监测控制装置的主控板图

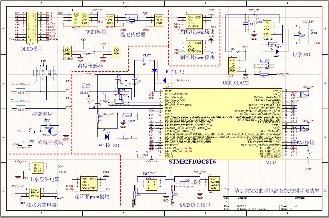
2-装置总设计电路原理图

 

3-硬件实验环境搭建图

 

4-实用新型专利

 

5-省级期刊论文-基于PID算法的小范围水温差恒定控制研究

 

6-软件著作权-基于单片机的恒温监测智能控制开发程序

 

7-技术服务合同+到账发票-基于增量式PID算法的水恒温智控监测程序

 

 

说明:课题来源于学生本人之前实习过的企业—无锡日洪仪器有限公司,公司的技术服务的目标是解决热水使用时需要手动反复调温的问题,设计出一套智能恒温控制监测程序。该程序以单片机为控制核心,利用传感器进行多点测温,通过智能模块控制电磁阀与直流泵在不同时刻的开闭,设计实现可调节的新型比例阀,实现智能恒温出水。技术服务内容一是整个系统硬件+软件方案的设计,二是编写相应的嵌入式程序代码。技术服务的方式是提供源代码、程序调试、测试与后期维护。       

受该公司的业务委托,在前期进行系统设计,中期编码调试,后期测试调试的设计下,最终达到设备正常运行,能够实现智能恒温出水功能的技术服务质量要求,并受到企业高度认可。

以下是企业应用情况证明:

 

三、毕业设计展示

(1)毕业设计思路及过程

 

 

 

 


 



(2)毕业设计实物演示